Огляд MSI MAG X870E GAMING MAX WIFI: доступна материнська плата з топовим чипсетом
21-04-2026
Рішення на базі B-чипсетів середнього рівня традиційно залишаються найпопулярнішими серед користувачів, адже саме вони пропонують оптимальний баланс ціни та можливостей. Проте різниця між класами іноді буває доволі розмитою.
Зокрема, якщо порівняти вартість протестованої нами раніше MSI MAG B850 TOMAHAWK MAX WIFI з моделлю MSI MAG X870E GAMING MAX WIFI на флагманському наборі логіки AMD X870E, різниця становить лише близько ₴1 000. А в ціновому діапазоні ₴13 000-14 000 (або $300-320) це не виглядає суттєвою переплатою.
Тож далі ми з’ясуємо, наскільки виправданим є вибір цієї моделі, порівнявши її з рішенням на молодшому чипсеті B850, а також з більш оснащеною і дорожчою (на ₴2 500 або близько $55) MSI MAG X870E TOMAHAWK MAX WIFI.
Специфікація
|
Модель |
MSI MAG X870E GAMING MAX WIFI |
|
Чипсет |
AMD X870E |
|
Процесорний роз'єм |
AMD Socket AM5 |
|
Підтримувані процесори |
AMD Ryzen 7000, 8000 та 9000 |
|
Підтримка пам'яті |
4 x DIMM-слоти з підтримкою максимум 256 ГБ пам'яті DDR5-8200+ МТ/с |
|
Слоти розширення |
1 x PCI Express 5.0 x16 (x16, залежить від використовуваного процесора) 1 x PCI Express 4.0 x16 (x4) 1 x PCI Express 3.0 x1 (x1) |
|
Дискова підсистема |
1 x M.2 Socket 3 (M.2 2260-2280; PCIe 5.0 x4, залежить від використовуваного процесора) 1 x M.2 Socket 3 (M.2 22110-2280; PCIe 4.0 x4) 1 x M.2 Socket 3 (M.2 2260-2280; PCIe 4.0 x4) 4 x SATA 6 Гбіт/с Підтримка RAID 0/1/5 для M.2 NVMe-накопичувачів Підтримка RAID 0/1/5/10 для SATA-накопичувачів |
|
LAN |
Realtek RTL8126 (5 Гбіт/с) |
|
Wi-Fi / Bluetooth |
MediaTek MTK MT7925B22M стандарту Wi-Fi 7 (підтримує 802.11be при 2,4, 5 та 6 ГГц; Bluetooth 5.4) |
|
Звукова підсистема |
7.1-канальний кодек Realtek ALC897 |
|
Живлення |
1 х 24-контактний роз’єм живлення ATX 2 x 8-контактні роз’єми живлення ATX12V 1 x 8-контактний роз’єм живлення PCIe |
|
Вентилятори |
2 x роз’єми вентилятора CPU / водоблока РСО (4-контактні) 6 x роз’ємів підключення системних вентиляторів (4-контактні) |
|
Охолодження |
Алюмінієві радіатори на елементах підсистеми живлення Алюмінієвий радіатор на контролері портів USB4 Алюмінієвий радіатор для верхнього M.2-накопичувача Алюмінієвий радіатор на чипсеті |
|
Зовнішні порти I/O та кнопки |
1 x кнопка оновлення BIOS 1 x кнопка скидання CMOS 1 х HDMI 1 х USB4 (40 Гбіт/с) Type-C з функцією DisplayPort 1.4 (4K Ultra HD 120 Гц) 1 х USB 3.2 Gen 2x2 (20 Гбіт/с) Type-C 2 х USB 3.2 Gen 2 (10 Гбіт/с) Type-A 2 х USB 3.2 Gen 1 (5 Гбіт/с) Type-A 4 х USB 2.0 Type-A 1 x RJ45 (5 Гбіт/с) 2 х конектори антен Wi-Fi 3 x 3,5-мм аудіопорти |
|
Внутрішні порти I/O |
1 х USB 3.2 Gen 2 (підтримує USB Type-C) 2 х USB 3.2 Gen 1 (підтримують 4 х USB 3.2 Gen 1) 3 x USB 2.0 (підтримують 6 x USB 2.0) |
|
BIOS |
512 Mбіт Flash ROM, UEFI AMI BIOS |
|
Підтримувана ОС |
Windows 11 x64 |
|
Форм-фактор |
ATX, 305 × 244 мм |
|
Сайт виробника |
|
|
Сторінка пристрою |
|
|
Сторінка підтримки |
MSI MAG X870E GAMING MAX WIFI (нові версії BIOS, драйверів і т.п.) |
Паковання та комплектація
Коробка повідомляє чимало корисного про розміщену всередині плату, зокрема про повну сумісність із найсучаснішими процесорами серії Ryzen 9000.
Багата комплектація включає чимало корисних бонусів:
- пару SATA-шлейфів, один із Г-подібним конектором;
- затискач для накопичувача EZ M.2 II;
- шестигранний ключ для кріплення EZ M.2 II;
- кабель-розгалужувач фірмового EZ-конектора, який дозволяє одночасно підключити вентилятор та RGB-підсвічування;
- подовжувач EZ Front Panel Cable для спрощення підключення передньої панелі;
- антену Wi-Fi-модуля;
- набір фірмових наліпок, зокрема для позначення кабелів;
- посібник зі встановлення та інші папери.
Порівняно з більш дорогою MSI MAG X870E TOMAHAWK MAX WIFI, тут немає лише USB-флешки з драйверами, утилітами та прошивкою BIOS.
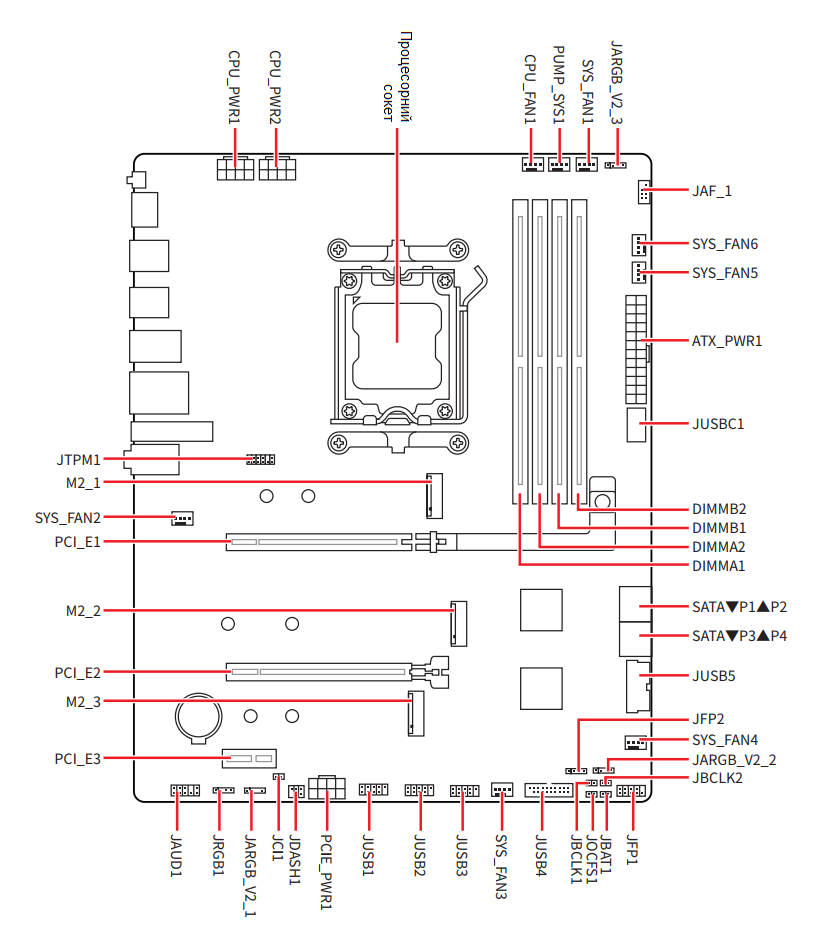
Дизайн та особливості плати
Материнська плата MSI MAG X870E GAMING MAX WIFI виконана у звичному форм-факторі ATX і має розміри 305 × 244 мм. Щоправда, на відміну від вищезгаданих представників лінійки MSI MAG TOMAHAWK MAX WIFI, тут використовується 6-шаровий текстоліт замість 8-шарового. Забарвлення його аналогічне, чого не скажеш про радіатори — чорні елементи із зеленими вкрапленнями замінені на сріблясті. Завдяки цьому плата впишеться однаково добре як у темну, так і у світлу систему.
А от компонування тестованого рішення дуже нагадує молодший “Томагавк” на основі чипсету B850.
На звороті, окрім підсилювальної пластини процесорного роз’єму, присутні кріпильні гвинти чотирьох радіаторів. Є тут і традиційна для плат MSI додаткова фарба довкола кріпильних отворів для захисту під час встановлення.
Тепер до деталей. Підсистема живлення процесора включає в себе пару великих радіаторів, один із яких заодно виконує роль кожуха інтерфейсної панелі.
Обидва вони оснащені термопрокладками на дроселях та MOSFET-транзисторах, причому останні мають високу теплопровідність — 7 Вт/(м·К), тож тут усе як у дорожчих моделей.
Є тут і більш компактний радіатор, який відповідає за відведення тепла від контролера порту USB4 ASMedia ASM4242.
На відміну від «Томагавків», де використовується схема живлення із 14+2+1 фазами, тут застосовано спрощений варіант із конфігурацією 12+2+1 під керуванням контролера MPS2519/MP2857. Поруч видно високоякісні твердотілі конденсатори та пару 8-контактних роз’ємів живлення ATX12V.
Що ж до температур, то після 15 хвилин стрес-тесту 12-ядерного AMD Ryzen 9 7900X у AIDA FPU, радіатори на VRM прогрілися всього лише до 48-52°С, а розташовані під ними дроселі — до 58-62°С. Враховуючи такі низькі значення, тестована плата відмінно підійде і для встановлення топових 16-ядерних 170-ватних «каменів» - Ryzen 9 9950X і 9950X3D.
Посередині верхньої частини плати розташовано процесорний роз’єм Socket AM5. Нагадаємо, компанія AMD представила його ще у 2022 році й найближчим часом не планує від нього відмовлятися. Тож сюди можна встановити найактуальніші процесори лінійок AMD Ryzen 7000 / 8000 / 9000, а також представників майбутніх поколінь CPU.
Ліворуч знизу видно колодку для під’єднання модуля TPM, а далі (за кадром) опинився один із роз’ємів для корпусних вентиляторів.
У верхній правій частині плати розташовано цілих п’ять 4-контактних FAN-роз’ємів: два для процесорного охолоджувача або помпи РСО та три для корпусних вентиляторів. Також тут є колодка адресної LED-підсвітки та роз’єм JAF_1 для одночасного під’єднання вентилятора і RGB-підсвітки. А для виявлення помилок передбачені чотири світлодіодні індикатори завантаження системи та один індикатор ініціалізації пам’яті.
Вздовж правого краю видно 24-контактний роз’єм живлення ATX та колодку USB 3.2 Gen 2, яка має пропускну здатність до 10 Гбіт/с. Нагадаємо, в обох «Томагавках» використовується вже 20-гігабітна колодка USB 3.2 Gen 2x2.
Чотири DIMM-слоти з фіксаторами зверху підтримують модулі пам’яті DDR5 загальним об’ємом 256 ГБ та швидкістю до 8200+ МТ/с. Якщо встановити одразу пару 1-рангових модулів, дане значення знижується до 6400+ МТ/с, а для 2-рангових — до 6000+ МТ/с.
За традицією, для двох планок пам’яті пріоритетними традиційно є слоти A2 та B2, а для однієї — A2.
Поруч розташована кнопка, яка активує механізм швидкого витягнення відеокарти EZ PCIe Release — це дійсно дуже зручно.
Нижче, поруч із радіатором чипсету, вздовж правого краю плати розпаяні чотири порти SATA 6 Гбіт/с та колодка USB 3.2 Gen 1 із пропускною здатністю до 5 Гбіт/с. Горизонтальне компонування дозволить використовувати дані елементи навіть при встановленні у слоти розширення дуже габаритних відеокарт чи інших пристроїв. Також тут є ще один роз’єм для під’єднання корпусного вентилятора.
Набір логіки AMD X870E отримав чималий радіатор, якого цілком достатньо для ефективного охолодження. Так, після 15 хвилин тесту AIDA FPU його температура становила всього 46°C – і це при 23°C у приміщенні.
Плата MSI MAG X870E GAMING MAX WIFI отримала три слоти розширення:
- PCI Express 5.0 x16 (у режимі х16);
- PCI Express 4.0 x16 (у режимі х4).
- PCI Express 3.0 x16 (у режимі х1).
Верхній розрахований на встановлення відеокарт, тому він отримав металеве обрамлення. Втім, через використання процесорних ліній у парі з AMD Ryzen 8000 він працюватиме відповідно до стандарту PCIe 4.0 і максимум у режимі x8 або x4.
Для SSD формату M.2 Socket 3 також передбачені три посадкові місця. Верхнє з них призначене для накопичувача форм-фактора M.2 2280 або 2260 з високошвидкісним інтерфейсом PCIe 5.0 x4. Тож тут є швидкознімний радіатор із безгвинтовим кріпленням EZ M.2 Shield Frozr та термопрокладкою. А от охолодження з боку PCB не передбачене, через що частина банків пам’яті на накопичувачах із двостороннім компонуванням може перегріватися.
Якщо ж використовується процесор AMD Ryzen 8000, то даний роз’єм працюватиме в режимі PCIe 4.0 x4.
Нижче розташувалися слоти M.2 стандарту PCIe 4.0 x4, які використовують чипсетні лінії і дозволяють встановлювати накопичувачі збільшеної до 25 мм ширини. Один із них, окрім звичних M.2 2280, підтримує також більш габаритні SSD M.2 22110, тоді як інший — уже більш компактні M.2 2260. Тож видно, що виробник намагався передбачити різні можливі конфігурації для забезпечення максимальної сумісності.
Що зручно, усі роз’єми M.2 підтримують безгвинтову фіксацію накопичувачів EZ M.2 II, а комплектний ключ дозволить легко переставити кріплення відповідно до довжини SSD.
Вздовж лівого борту MSI MAG X870E GAMING MAX WIFI розташувалися складові аудіопідсистеми: недорогий 7.1-канальний кодек Realtek ALC897 та квартет аудіоконденсаторів, відокремлених екрануванням.
Поруч із ними встановлено батарейку CMOS CR2032 із дуже зручним доступом. Знизу ж є розсип елементів: колодка фронтальних аудіопортів, одна колодка для під’єднання LED-стрічки та дві для реалізації ARGB-підсвітки, колодка сигналізації про відкриття корпусу, роз’єм для вентилятора, 8-контактний роз’єм живлення PCIe, три колодки USB 2.0, одна USB 3.2 Gen 1, джампери частот BCLK, а також колодка системного динаміка та елементів фронтальної панелі. В останню вставляється комплектний кабель EZ Front Panel Cable, який дозволяє зручно під’єднати відповідні кнопки та індикатори.
В цілому на платі є чотири колодки для організації підсвітки і вісім роз’ємів для під’єднання вентиляторів і помпи з підтримкою ШІМ.
Мультиконтролером виступає чип NUVOTON NCT6687D-R, який є частим гостем на сучасних материнських платах.
Інтерфейсна панель виглядає багатою та повністю відповідає рівню пристрою з флагманським чипсетом. На ній розміщені всі необхідні елементи:
- 1 x кнопка оновлення BIOS
- 1 x кнопка скидання CMOS
- 1 х HDMI
- 1 х USB4 (40 Гбіт/с) Type-C (з функцією DisplayPort 1.4)
- 1 х USB 3.2 Gen 2x2 (20 Гбіт/с) Type-C
- 2 х USB 3.2 Gen 2 (10 Гбіт/с) Type-A
- 2 х USB 3.2 Gen 1 (5 Гбіт/с) Type-A
- 4 х USB 2.0 Type-A
- 1 x RJ45 (5 Гбіт/с)
- 2 х конектори антен Wi-Fi
- 3 x 3,5-мм аудіопорти
Порівняно з «Томагавками», тут немає оптичного аудіовиходу S/PDIF. Зате є цікавіші порти USB4 та USB 3.2 Gen 2x2, відсутні у молодшої моделі на основі B850. Крім того, в наявності зручні кнопки для оновлення BIOS і скидання налаштувань CMOS, а сумарна кількість USB-роз’ємів досягає десяти.
В свою чергу мережевий 5-гігабітний LAN-порт функціонує завдяки контролеру Realtek RTL8126.
Поруч із вихідними роз’ємами розташувалася плата MediaTek MTK MT7925B22M з підтримкою тридіапазонного Wi-Fi 7 (2,4, 5 та 6 ГГц) та Bluetooth 5.4. До неї під’єднується виносна антена, яку можна розташувати в зоні найкращої видимості роутера.
UEFI BIOS
Тестована плата MSI MAG X870E GAMING MAX WIFI використовує сучасний інтерфейс MSI Click BIOS X на основі UEFI. Причому тут застосовується збільшений об’єм чипа BIOS — 512 Мбіт проти звичних 256 Мбіт. Для зручності користувача є два режими роботи: «EZ Mode», в якому налаштування згруповані на одному екрані, та «Advanced Mode» із сортуванням за відповідними вкладками. Базовий моніторинг доступний на правій бічній панелі, яка відображається у всіх розділах. Крім того, тут є широкі можливості для розгону процесора, зокрема можна збільшити його множник, що недоступно на платах із B-чипсетом.
Частоти процесора та пам’яті.
Для тестування та перевірки можливостей материнської плати MSI MAG X870E GAMING MAX WIFI використовувалося таке обладнання:
|
Компонент |
Модель |
|
|
Процесор |
AMD Ryzen 9 7900X (Socket AM5, 4,7-5,6 ГГц, 170 Вт TDP) |
|
|
Кулер |
DeepCool LT720 |
|
|
Оперативна пам’ять |
2 x 16 ГБ DDR5-6000 Kingston FURY Beast Black (KF560C40BBAK2-32) |
|
|
Відеокарта |
Palit GeForce RTX 3090 GamingPRO OC |
|
|
SSD |
Kingston KC600 512 GB (SKC600/512G) |
|
|
Блок живлення |
DeepCool PQ1000M (1000 Вт) |
|

При навантаженні нашого 12-ядерного AMD Ryzen 9 7900X стрес-тестом утиліти CPU-Z процесор тримав стабільні 5,28 ГГц при напрузі 1,325 В — доволі хороший показник.
У більш вимогливому 16-хвилинному FPU Stress Test в AIDA64 частота ядер просіла до 4,97 ГГц при напрузі 1,166 В. При цьому температура процесора досягала 95°C, що відповідає максимальному робочому значенню (Tjmax), а сам він споживав 182 Вт.
Оскільки AMD Ryzen 9 7900X працював при граничній для нього температурі, ми вирішили виконати андервольтинг і водночас дещо його підрозігнати. Для цього у BIOS були змінені такі параметри:
Precision Boost Overdrive:
- Precision Boost Overdrive → Advanced
- PBO Limits → Motherboard
CPU Boost Clock Override → +100 MHz
PBO Scalar → 10X
Такі налаштування дозволяють платі самій визначати межі потужності, збільшують максимальну частоту процесора на 100 МГц та змінюють алгоритм утримання високої частоти процесора на більш агресивний (10X).
Curve Optimizer:
• Mode → Negative
• Value → -25
А ці налаштування дозволили знизити напругу, причому досить відчутно.
У результаті таких дій у FPU Stress Test 12-ядерник “тримав” частоту 5,2 ГГц, що більш ніж на 200 МГц вище за попередній результат. Напруга при цьому становила всього 1,172 В, що лише на 0,006 В вище. А температура залишалася в межах все тих же 95°C. При цьому жодних проблем зі стабільністю не було — материнська плата показала себе з якнайкращого боку.
Якщо ж обмежитися тільки змінами у пункті “Curve Optimizer”, тоді процесор працює при 5,175 МГц і 1,164-1,166 В — також хороший результат при мінімальних маніпуляціях.
Набір із пари 16-ГБ модулів оперативної пам'яті DDR5-6000 Kingston FURY Beast Black (KF560C40BBAK2-32) під час тестування працював у режимі EXPO-профіля DDR5-6000 МТ/с.
Без зміни таймінгів, але уже при напрузі 1,4 В модулі запрацювали при DDR5-6600, при цьому AIDA64 оцінила приріст швидкодії на 3-9% при аналогічних затримках. І, що важливо, частота Uncore Frequency залишилася без змін.
А от при задіюванні технології Memory Try It! і DDR5-6600 частота Uncore Frequency просідає вдвічі, що нівелює переваги такого розгону.
Тестування







Плата MSI MAG X870E GAMING MAX WIFI без жодних труднощів пройшла усі наші тести, що й очікувалося.
Тестування звукового тракту на основі кодека Realtek ALC897
Звіт про тестування в RightMark Audio Analyzer:
Режим роботи 16-bit, 44 kHz
|
Параметр |
Значення |
Оцінка |
|
Нерівномірність АЧХ (у діапазоні 40 Гц – 15 кГц), дБ |
+0.1, -0.89 |
Добре |
|
Рівень шуму, дБ(А) |
-89.5 |
Добре |
|
Динамічний діапазон, дБ(А) |
89.3 |
Добре |
|
Гармонійні викривлення, % |
0.0015 |
Відмінно |
|
Інтермодуляційне викривлення + шум, % |
0.0096 |
Дуже добре |
|
Взаємопроникнення каналів, дБ |
-87.7 |
Відмінно |
|
Інтермодуляції на 10 кГц, % |
0.01 |
Дуже добре |
|
Загальна оцінка |
|
Дуже добре |
Режим роботи 24-bit, 192 kHz
|
Параметр |
Значення |
Оцінка |
|
Нерівномірність АЧХ (у діапазоні 40 Гц – 15 кГц), дБ |
+0.1, -0.89 |
Добре |
|
Рівень шуму, дБ(А) |
-91.9 |
Дуже добре |
|
Динамічний діапазон, дБ(А) |
90.6 |
Дуже добре |
|
Гармонійні викривлення, % |
0.0017 |
Відмінно |
|
Інтермодуляційне викривлення + шум, % |
0.0079 |
Відмінно |
|
Взаємопроникнення каналів, дБ |
-84.1 |
Дуже добре |
|
Інтермодуляції на 10 кГц, % |
0.008 |
Дуже добре |
|
Загальна оцінка |
|
Дуже добре |
Аудіокодек Realtek ALC897 показує хороші результати — так, вони трішки нижчі, ніж у ALC4080 у складі “Томагавків”, але для абсолютної більшості користувачів такої якості звучання буде цілком достатньо.
ПЗ MSI Center
Власник тестованої плати має можливість встановити ПЗ MSI Center, яке дозволяє керувати функціями на основі ШІ, здійснювати моніторинг низки системних параметрів, обрати один із трьох сценаріїв використання чи налаштувати власний, налаштовувати підсвічування під’єднаних комплектуючих і роботу вентиляторів, оновлювати драйвери та BIOS тощо.
Підсумок
Материнська плата MSI MAG X870E GAMING MAX WIFI поєднує топовий чипсет із доволі широким набором функцій і водночас залишається відносно доступною.
Тож не дивно, що в окремих деталях вона поступається моделям рівня Tomahawk. Так, тут передбачено лише один радіатор для M.2, використовується трохи простіша підсистема VRM, є менша кількість портів, а також встановлений доступніший аудіокодек. З іншого боку, наявні три слоти M.2 задовольнять потреби більшості користувачів, а 12 фаз живлення впевнено справляються з подачею до 180 Вт на процесор із дуже низьким нагріванням транзисторів та дроселів. Водночас серед інтерфейсів присутні сучасні USB4 та USB 3.2 Gen 2x2, які відсутні у «Томагавка» на основі AMD B850, а аудіокодек Realtek ALC897 все ще оцінюється на рівні «дуже добре».
Крім того, економія простежується і в окремих аспектах, які користувач може і зовсім не відчути: охолодження SSD-накопичувача у слоті M.2 PCIe 5.0 реалізоване лише зверху, а внутрішній порт USB обмежений стандартом Gen 2. Тож якщо корпус не обладнаний фронтальним USB 3.2 Gen 2x2, а швидкісний твердотільник має одностороннє компонування, ці особливості і зовсім залишаться непомітними.
У підсумку, якщо ви шукаєте платформу на базі флагманського AMD X870E з хорошим балансом ціни та функціональності, MSI MAG X870E GAMING MAX WIFI виглядає як справді вдалий вибір для збірки без переплати.
Переваги:
- 12+2+1-фазна підсистема живлення процесора і якісна елементна база;
- ефективне охолодження;
- можливості розгону процесора і пам’яті;
- підсилений слот для відеокарти з підтримкою шини PCI Express 5.0 та механізмом швидкого витягнення;
- можливість встановлення до 256 ГБ ОЗП зі швидкістю до 8200+ МТ/с;
- підтримка трьох слотів M.2 Socket 3, зокрема одного PCIe 5.0;
- 5-гігабітний LAN-контролер;
- модуль бездротових інтерфейсів Wi-Fi 7 і Bluetooth 5.4;
- можливість оновлення BIOS за допомогою кнопки «BIOS FlashBack» на інтерфейсній панелі;
- чотири колодки для реалізації підсвітки;
- вісім конекторів для під’єднання вентиляторів та РСО;
- досить якісна аудіопідсистема;
- широкий набір портів на інтерфейсній панелі, включно з USB4 та USB 3.2 Gen 2x2;
- наявність діагностичних індикаторів;
- дуже доступна вартість в порівнянні з іншими моделями на основі AMD X870E.
Особливості:
- певні обмеження при використанні процесорів Ryzen 8000;
- SSD-накопичувач у слоті M.2 PCIe 5.0 охолоджується лише зверху.
Автор: Олесь Пахолок
Висловлюємо подяку компанії MSI за надану для тестування материнську плату.
Опубліковано : 21-04-2026
| Підписатися на наші канали | |||||
|
|
|
|
||

















































