Огляд MSI B850M GAMING PLUS WIFI6E: доступна microATX-плата для Ryzen 5 та Ryzen 7
06-11-2025
У цьому матеріалі ми познайомимося з материнською платою на базі сучасного чипсета AMD B850, яка представляє дуже популярний ціновий сегмент — $150-200.
Якщо зазирнути до специфікації MSI B850M GAMING PLUS WIFI6E, то певні прояви економії стають помітними одразу. Так, слот для відеокарти працює у режимі PCI Express 4.0 x16, а не у найновішому PCI Express 5.0 x16; бездротовий модуль підтримує стандарт Wi-Fi 6E замість Wi-Fi 7; а роль аудіокодека виконує доволі базове рішення. Втім, є ще один аспект економії, менш очевидний на перший погляд, але не менш важливий за всі вищезгадані разом узяті. Про нього та про інші можливості плати, яких також чимало, розповімо далі у матеріалі.
Специфікація
|
Модель |
MSI B850M GAMING PLUS WIFI6E |
|
Чипсет |
AMD B850 |
|
Процесорний роз'єм |
AMD Socket AM5 |
|
Підтримувані процесори |
AMD Ryzen 7000, 8000 та 9000 |
|
Підтримка пам'яті |
4 x DIMM-слоти з підтримкою максимум 256 ГБ пам'яті із швидкістю до DDR5-8200+ МТ/с |
|
Слоти розширення |
1 x PCI Express 4.0 x16 (x16, залежить від використовуваного процесора) 2 x PCI Express 3.0 x1 (x1) |
|
Дискова підсистема |
1 x M.2 Socket 3 (M.2 2260-2280; PCIe 5.0 x4, залежить від використовуваного процесора) 1 x M.2 Socket 3 (M.2 2260-2280; PCIe 4.0 x4, залежить від використовуваного процесора) Підтримка RAID 0/1 для M.2-накопичувачів 4 x SATA 6 Гбіт/с Підтримка RAID 0/1/10 для SATA-пристроїв |
|
LAN |
Realtek RTL8125D (2,5 Гбіт/с) |
|
Wi-Fi / Bluetooth |
MediaTek стандарту Wi-Fi 6E (підтримує 802.11ax при 2,4, 5 та 6 ГГц; Bluetooth 5.3) |
|
Звукова підсистема |
7.1-канальний кодек Realtek ALC897 |
|
Живлення |
1 х 24-контактний роз’єм живлення ATX 2 x 8-контактні роз’єми живлення ATX12V |
|
Вентилятори |
1 x роз’єм вентилятора CPU (4-контактний) 1 x роз’єм водоблока РСО (4-контактний) 3 x роз’єми підключення системних вентиляторів (4-контактні) 1 х JAF_1 (під'єднання вентилятора + підсвітки) |
|
Охолодження |
Алюмінієві радіатори на елементах підсистеми живлення Алюмінієвий радіатор для верхнього M.2-накопичувача Алюмінієвий радіатор на чипсеті |
|
Зовнішні порти I/O та кнопки |
1 x кнопка оновлення BIOS 1 x кнопка скидання CMOS 1 х HDMI 2.1 1 х DisplayPort 1.4 1 х USB 3.2 Gen 2 (10 Гбіт/с) Type-C 3 х USB 3.2 Gen 2 (10 Гбіт/с) Type-A 4 х USB 3.2 Gen 1 (5 Гбіт/с) Type-A 1 x LAN (2,5 Гбіт/с) 2 х конектори антен Wi-Fi 3 x 3,5-мм аудіопорти |
|
Внутрішні порти I/O |
1 х USB 3.2 Gen 2 (підтримує USB Type-C) 1 х USB 3.2 Gen 1 (підтримують 2 х USB 3.2 Gen 1) 2 x USB 2.0 (підтримують 4 x USB 2.0) |
|
BIOS |
256 Mбіт Flash ROM, UEFI AMI BIOS |
|
Підтримувана ОС |
Windows 11 x64 |
|
Форм-фактор |
microATX, 244 x 244 мм |
|
Сайт виробника |
|
|
Сторінка пристрою |
|
|
Сторінка підтримки |
MSI B850M GAMING PLUS WIFI6E (нові версії BIOS, драйверів і т.п.) |
| Сторінка для купівлі | TELEMART.UA |
Паковання та комплектація
Оранжево-червоні вкраплення в оформленні коробки одразу натякають, що перед нами рішення для процесорів AMD. Тут же розміщено відповідну позначку про підтримку найактуальнішої 9000-ої серії чипів для платформи Socket AM5.
Разом із платою поклали чимало додаткових компонентів:
- один SATA-шлейф із Г-подібним конектором;
- додаткові елементи кріплення M.2-накопичувачів;
- шестигранний ключ для взаємодії з кріпленнями EZ M.2 II;
- кабель-розгалужувач фірмового EZ конектора, який дозволяє одночасно підключити вентилятор та RGB-підсвічування;
- антену Wi-Fi-модуля;
- набір наліпок, у тому числі для позначення кабелів;
- посібник зі встановлення;
- іншу документацію користувача.
Дизайн та особливості плати
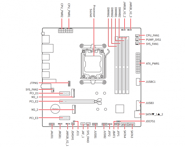
Материнська плата MSI B850M GAMING PLUS WIFI6E виконана у компактному форм-факторі microATX з розмірами 244 × 244 мм. Щоб стримати вартість, виробник застосував 6-шаровий текстоліт замість 8-шарового, характерного для дорожчих моделей. Водночас сріблясте оформлення з сірими акцентами виглядає стримано й універсально — така плата гармонійно впишеться як у світлу, так і в темну збірку.
З протилежного боку можна побачити підсилювальну пластину процесорного роз’єму та гвинти кріплення радіаторів підсистеми живлення VRM і чипсета. Також навколо монтажних отворів нанесено додаткове фарбове покриття — воно допомагає зберегти текстоліт від подряпин і пошкоджень під час встановлення плати у корпус.
Тепер роздивимося деталі. Пара досить масивних радіаторів відповідає за охолодження елементів підсистеми живлення процесора.
Вони обидва оснащені термопрокладками, а для відведення тепла від польових транзисторів застосовуються світліші елементи з підвищеною теплопровідністю — 7 Вт/(м·К).
Схема живлення включає в себе 10+2+1 фазу — а це на 2-4 фази менше, ніж у дорожчих моделей на основі аналогічного чипсета.
Що ж до ефективності охолоджувачів, то після 15 хв стрес-тестування 12-ядерного AMD Ryzen 9 7900X у AIDA64 FPU вони прогрілися до 72-83°С, а дроселі під ними — до 87-91°С. Це досить високі показники, тому для даної материнської плати оптимальніше використовувати процесори серій Ryzen 5 або Ryzen 7.
Для живлення «каменя» присутній звичний набір із пари 8-контактних роз'ємів ATX12V.
З протилежного краю плати є пара ARGB-колодок та три 4-контактні FAN-роз'єми — для під'єднання процесорного охолоджувача, помпи та системного вентилятора. А чотири світлодіоди нижче вкажуть на причину труднощів при запуску системи. Звісно ж, якщо такі будуть.
Трішки нижче розпаяний 24-контактний роз'єм живлення ATX та колодка фронтального USB 3.2 Gen 2 із пропускною здатністю до 10 Гбіт/с.
В MSI B850M GAMING PLUS WIFI6E є чотири DIMM-слоти з фіксаторами у верхній частині. Вони підтримують модулі ОЗП стандарту DDR5 загальним об’ємом 256 ГБ із швидкістю до 8200+ МТ/с.
Як зазвичай, для двох планок пам’яті пріоритетними є слоти A2 та B2, а для однієї — A2.
Слотів розширення тут три — дуже гідний показник, як для microATX-плати:
- PCI Express 3.0 x1 (у режимі х1);
- PCI Express 4.0 x16 (у режимі х16);
- PCI Express 3.0 x1 (у режимі х1).
Для встановлення відеокарти є підсилений слот PCI Express 4.0 x16. Він використовує процесорні лінії, тому у випадку з рішеннями AMD Ryzen 8000 працюватиме в режимі x8 або x4.
Плата обладнана парою слотів M.2 із безгвинтовим кріпленням для накопичувачів формату 2280 або 2260. Обидва вони підключаються безпосередньо до процесорних ліній.
Верхній слот підтримує високошвидкісний інтерфейс PCIe 5.0 x4, хоча при встановленні процесорів серії AMD Ryzen 8000 він працюватиме у режимі PCIe 4.0 x4. Підтримуються накопичувачі шириною до 23 мм, а за їхнє охолодження відповідає радіатор із термопрокладкою, закріплений двома гвинтами.
Нижній слот M.2 відповідає стандарту PCIe 4.0 x4, тоді як у парі з AMD Ryzen 8500 / 8300 він працюватиме в режимі PCIe 4.0 x2. Сюди можна встановити SSD шириною до 24 мм, однак додаткового охолодження не передбачено.
Приємним дрібним бонусом є зручний доступ до батарейки CMOS.
Розташований правіше радіатор чипсета після 15 хвилин стрес-тесту в AIDA FPU64 прогрівся до порівняно невисоких 46°C - і це при +18°C у приміщенні та увімкненому ліміті температури процесора 85°C.
В правому нижньому куті плати розташовано ще кілька корисних елементів: колодку USB 3.2 Gen 1 із пропускною здатністю 5 Гбіт/с для під'єднання двох портів і чотири SATA 6 Гбіт/с.
З протилежного боку знаходиться 7.1-канальний кодек Realtek ALC897, доповнений чотирма аудіоконденсаторами, колодкою фронтальної аудіопанелі та екрануванням від завад. Крім того, правий та лівий канали виконані на різних шарах PCB, що зменшує рівень перешкод.
Праворуч розпаяно такі колодки: під’єднання LED-стрічки, реалізації ARGB-підсвітки, сигналізації про вторгнення в корпус, під'єднання корпусного вентилятора, пари USB 2.0, елементів фронтальної панелі, а також для безпечного завантаження та очищення даних CMOS.
Також тут є роз’єм JAF_1, в який вставляється комплектний кабель-перехідник. З його допомогою можна одночасно під’єднати вентилятор і його RGB-підсвітку.
У цілому материнська плата пропонує чотири колодки для організації підсвітки та п’ять роз’ємів для під’єднання вентиляторів або помпи з підтримкою ШІМ-регулювання швидкості. Серед них є один додатковий FAN-роз’єм, про який ми ще не згадували — він розташований поруч із вихідними аудіопортами. І не забуваємо про універсальний JAF_1, який відповідає одразу за обидві функції.
Також в наявності є колодка TPM, розпаяна ближче до процесорного роз'єму.
А тепер кілька рядків про конкретні чипи, розпаяні на платі. Мікросхема Realtek RTL8125D відповідає за роботу 2,5-гігабітного мережевого порту.
В якості мультиконтролера використовується досить поширений NUVOTON NCT6687D-R.
Інтерфейсна панель MSI B850M GAMING PLUS WIFI6E також має чим похвалитися. На ній розташувалися наступні роз'єми та елементи:
- 1 x кнопка оновлення BIOS
- 1 x кнопка скидання CMOS
- 1 х HDMI 2.1
- 1 х DisplayPort 1.4
- 1 х USB 3.2 Gen 2 (10 Гбіт/с) Type-C
- 3 х USB 3.2 Gen 2 (10 Гбіт/с) Type-A
- 4 х USB 3.2 Gen 1 (5 Гбіт/с) Type-A
- 1 x LAN (2,5 Гбіт/с)
- 2 х конектори антен Wi-Fi
- 3 x 3,5-мм аудіопорти
Якщо у процесор інтегроване графічне ядро, то скористатися його можливостями допоможе пара цифрових відеовиходів. Є тут і дві кнопки, які дозволять максимально зручно та просто оновити BIOS і скинути налаштування CMOS. У свою чергу під’єднати аналогові аудіопристрої можна за допомогою трьох 3,5-мм роз'ємів у нижній частині. До речі, серед них є і лінійний аудіовхід. А для підключення інших девайсів передбачено вісім USB-портів: чотири з пропускною здатністю до 10 Гбіт/с і стільки ж зі швидкістю 5 Гбіт/с.
Два з них працюють за рахунок додаткового контролера ASMedia ASM1074.
Крім того, під кожухом інтерфейсної панелі розташована плата від MediaTek з підтримкою тридіапазонного Wi-Fi 6E та Bluetooth 5.3. До неї під'єднується виносна антена у світлому виконанні, яку бажано розташувати в зоні якнайкращої видимості роутера.
UEFI BIOS
Тестована плата MSI B850M GAMING PLUS WIFI6E використовує сучасний завантажувач MSI Click BIOS X на основі графічного інтерфейсу UEFI. Традиційно можна обрати один із двох режимів роботи.
У першому, «EZ Mode», всі налаштування згруповані на одному екрані.
А в «Advanced Mode» вони уже посортовані за відповідними вкладками. У такому випадку базовий моніторинг роботи системи доступний на правій бічній панелі, яка відображається у всіх розділах.
Нагадаємо, що у платах з чипсетом AMD B850 також є можливості для розгону пам'яті. А от множник процесора можна змінювати лише в сторону зменшення, на відміну від старших X-чипсетів.
Частоти процесора та пам’яті
Для подальшого тестування та перевірки можливостей материнської плати MSI B850M GAMING PLUS WIFI6E використовувалося таке обладнання:
|
Компонент |
Модель |
|
|
Процесор |
AMD Ryzen 9 7900X (Socket AM5, 4,7-5,6 ГГц, 170 Вт TDP) |
|
|
Кулер |
DeepCool LT720 |
|
|
Оперативна пам’ять |
2 x 16 ГБ DDR5-6000 Kingston FURY Beast Black (KF560C40BBAK2-32) |
|
|
Відеокарта |
Palit GeForce RTX 3090 GamingPRO OC |
|
|
SSD |
Kingston KC600 512 GB (SKC600/512G) |
|
|
Блок живлення |
DeepCool PQ1000M (1000 Вт) |
|
При навантаженні 12-ядерного AMD Ryzen 9 7900X стрес-тестом утиліти CPU-Z, його частота складала стабільні 5,32 ГГц при напрузі 1,344 В.
В більш вимогливому тесті FPU Stress test в AIDA64 частота ядер просіла до 4,9-5,1 ГГц за напруги 1,181 В. У свою чергу температура процесора досягала 95°C, що відповідає максимальному робочому значенню (Tjmax).
Традиційно ми прогнали цей «камінь» без розгону у кількох бенчмарках, щоб в подальшому оцінити результати оптимізації.
Для реалізації останньої ми встановили ліміт критичної температури на рівні 85°C, обравши відповідний пункт у BIOS: Precision Boost Overdrive – Set Thermal Point 85.
На таку маніпуляцію бенчмарки відреагували незначним приростом показників на 0,4-1,2%. При цьому у FPU Stress test напруга знизилася до 1,125 В, а енергоспоживання — на 20 Вт. Тож у нашому випадку дану процедуру однозначно варто було виконати.
Набір із пари 16-ГБ модулів оперативної пам'яті DDR5-6000 Kingston FURY Beast Black (KF560C40BBAK2-32) під час тестування запустився в режимі EXPO-профілю DDR5-6000.
Після зміни таймінгів на 32-39-39-80 і при напрузі 1,4 В, модулі запрацювали в режимі DDR5-6400. AIDA64 зафіксувала приріст пропускної здатності на 4-6% при на 4% вищій латентності. Та оскільки частота Uncore Frequency при цьому зменшується майже в два рази, змісту у таких маніпуляціях немає.
Тестування







Зі стабільністю роботи плати MSI B850M GAMING PLUS WIFI6E усе в повному порядку — вона без ніяких труднощів пройшла усі наші тести.
Тестування звукового тракту на основі кодека Realtek ALC897
Звіт про тестування в RightMark Audio Analyzer:
Режим роботи 16-bit, 44,1 kHz
|
Параметр |
Значення |
Оцінка |
|
Нерівномірність АЧХ (у діапазоні 40 Гц – 15 кГц), дБ |
+0.11, -0.89 |
Добре |
|
Рівень шуму, дБ(А) |
-91.2 |
Дуже добре |
|
Динамічний діапазон, дБ(А) |
90.8 |
Дуже добре |
|
Гармонійні викривлення, % |
0.0016 |
Відмінно |
|
Інтермодуляційне викривлення + шум, % |
0.0079 |
Відмінно |
|
Взаємопроникнення каналів, дБ |
-90.5 |
Відмінно |
|
Інтермодуляції на 10 кГц, % |
0.0086 |
Дуже добре |
|
Загальна оцінка |
|
Дуже добре |
Режим роботи 24-bit, 96 kHz
|
Параметр |
Значення |
Оцінка |
|
Нерівномірність АЧХ (у діапазоні 40 Гц – 15 кГц), дБ |
+0.10, -0.89 |
Добре |
|
Рівень шуму, дБ(А) |
-94.5 |
Дуже добре |
|
Динамічний діапазон, дБ(А) |
92.5 |
Дуже добре |
|
Гармонійні викривлення, % |
0.0015 |
Відмінно |
|
Інтермодуляційне викривлення + шум, % |
0.0064 |
Відмінно |
|
Взаємопроникнення каналів, дБ |
-90.4 |
Відмінно |
|
Інтермодуляції на 10 кГц, % |
0.0068 |
Відмінно |
|
Загальна оцінка |
|
Дуже добре |
Аудіокодек Realtek ALC897 є частим гостем у порівняно недорогих материнських платах. В даному випадку він отримав дуже багато оцінок «відмінно», тож абсолютній більшості користувачів його можливостей буде цілком достатньо.
Підсумок
Якщо протестовані нами раніше плати від Micro-Star International на базі чипсету AMD B850 коштували близько $250-300, то більш компактна microATX-модель MSI B850M GAMING PLUS WIFI6E доступна вже менш ніж за $200. Тож цілком логічно, що виробник вніс низку спрощень, аби знизити її кінцеву вартість.
Передусім це стосується підсистеми живлення — тут на 2-4 фази менше, ніж у старших моделей. У результаті при встановленні 170-ватного Ryzen 9 дроселі VRM нагрівалися досить сильно, навіть попри наявність двох масивних радіаторів. Тому оптимальним вибором для цієї плати стануть більш “холодні” процесори серій Ryzen 5 або Ryzen 7.
Інші ж спрощення не настільки суттєві. Так, плата оснащена всього двома слотами M.2, один із яких підтримує PCIe 5.0 (за умови встановлення відповідного процесора). Водночас слот PCIe x16 відповідає лише стандарту PCIe 4.0, однак для відеокарт середнього класу це обмеження взагалі не буде відчутним. Крім того, замість Wi-Fi 7 тут реалізовано тридіапазонний Wi-Fi 6E, що все ще забезпечує чудову швидкість передачі даних.
Тож загалом, MSI B850M GAMING PLUS WIFI6E заслуговує на увагу користувачів, які планують зібрати систему на основі народних шести- та восьмиядерних AMD Ryzen і при цьому готові змиритися зі згаданими вище спрощеннями.
Переваги:
- якісна елементна база;
- радіатори вузла VRM забезпечують ефективне охолодження при використанні процесорів Ryzen 5 та Ryzen 7;
- можливість розгону пам’яті;
- підсилений слот для відеокарти;
- можливість встановлення до 256 ГБ ОЗП з швидкістю до 8200+ МТ/с ;
- підтримка двох слотів M.2 Socket 3 з безгвинтовим кріпленням накопичувачів, у тому числі одного PCIe 5.0;
- 2,5-гігабітний LAN-контролер;
- модуль бездротових інтерфейсів Wi-Fi 6E і Bluetooth 5.3;
- наявність чотирьох діагностичних індикаторів;
- можливість оновлення BIOS та скидання CMOS за допомогою кнопок на інтерфейсній панелі;
- чотири колодки для реалізації підсвітки;
- п'ять конекторів для під’єднання вентиляторів та РСО;
- досить якісна аудіопідсистема;
- широкий набір портів на інтерфейсній панелі;
- приємний дизайн у світлих тонах.
Особливості:
- певні обмеження при використанні процесорів Ryzen 8000;
- слот для відеокарти працює у режимі PCI Express 4.0 х16;
- відсутність радіатора на нижньому слоті M.2.
Автор: Олесь Пахолок
Висловлюємо подяку компанії TELEMART.UA за надану для тестування материнську плату.
Опубліковано : 06-11-2025
| Підписатися на наші канали | |||||
|
|
|
|
||














































